Bản cập nhật ngày 23/01/2026
Băng Tải Con Lăn Tự Do không mạ
Trong các kho hàng, nhà máy sản xuất và trung tâm logistics, việc vận chuyển hàng hóa có tải trọng lớn luôn đòi hỏi thiết bị có độ bền cao, chịu lực tốt và hoạt động ổn định. Một trong những giải pháp được sử dụng phổ biến hiện nay chính là băng tải con lăn tự do không mạ, sử dụng con lăn màu đen không mạ, chuyên dùng để vận chuyển hàng nặng với hiệu suất cao và chi phí hợp lý.
Băng tải con lăn tự do không mạ là gì?
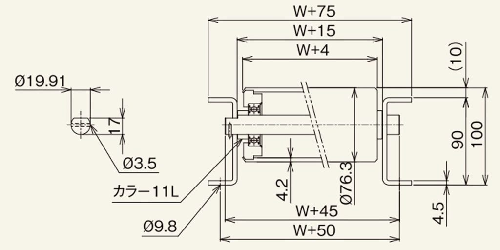
Băng tải con lăn tự do không mạ là hệ thống băng tải không sử dụng động cơ, trong đó hàng hóa di chuyển nhờ lực đẩy tay hoặc nhờ độ nghiêng của mặt băng tải. Con lăn có đường kính 76mm, kích thước lớn hơn so với các loại con lăn thông thường (Ø50, Ø60), giúp tăng khả năng chịu tải và độ ổn định khi vận chuyển hàng hóa nặng.
Loại băng tải này sử dụng con lăn thép màu đen không mạ, phù hợp cho các môi trường trong nhà, kho khô, nơi không yêu cầu khả năng chống ăn mòn cao nhưng cần độ cứng vững và tuổi thọ cơ học lớn.
Đặc điểm nổi bật của con lăn thép Ø76mm màu đen không mạ
1. Đường kính lớn – chịu tải vượt trội
Con lăn Ø76mm có khả năng phân bổ lực tốt, giảm biến dạng khi chịu tải nặng, đặc biệt phù hợp cho:
-
Kiện hàng lớn
-
Thùng carton nặng
-
Khay kim loại
-
Pallet nhỏ hoặc hàng bán pallet
2. Chất liệu thép màu đen không mạ
-
Bề mặt thép nguyên bản, sơn hoặc xử lý màu đen
-
Độ cứng cao, khó móp méo
-
Phù hợp môi trường khô, ít hóa chất
3. Chuyển động ổn định
Kết hợp trục thép và ổ bi chất lượng giúp con lăn quay đều, hạn chế rung lắc khi vận chuyển hàng nặng.
Cấu tạo của băng tải con lăn tự do không mạ
Một hệ thống băng tải tiêu chuẩn thường bao gồm:
-
Khung băng tải: thép sơn tĩnh điện hoặc thép đen, kết cấu chắc chắn
-
Con lăn thép Ø76mm: màu đen, không mạ, lắp đều theo bước con lăn phù hợp tải trọng
-
Trục con lăn: thép đặc hoặc thép ống, đảm bảo độ cứng
-
Ổ bi: giúp con lăn quay nhẹ, giảm ma sát
-
Chân đỡ: cố định hoặc có thể điều chỉnh độ cao
Thiết kế có thể tùy biến theo chiều dài, chiều rộng và tải trọng hàng hóa thực tế.

4 ưu điểm của băng tải con lăn tự do không mạ dùng cho hàng nặng
1. Không sử dụng điện – tiết kiệm chi phí
Do hoạt động hoàn toàn bằng cơ học, hệ thống giúp:
-
Giảm chi phí đầu tư motor
-
Không phát sinh chi phí điện năng
-
Ít hỏng hóc, dễ bảo trì
2. Độ bền cao, tuổi thọ dài
Con lăn thép Ø76mm có khả năng hoạt động bền bỉ trong thời gian dài, phù hợp với các dây chuyền vận chuyển có tần suất cao.
3. Dễ lắp đặt và mở rộng
Hệ thống băng tải con lăn tự do có thể:
-
Lắp ráp nhanh
-
Dễ nối dài
-
Thay đổi bố trí khi cần cải tạo kho
4. An toàn cho người vận hành
Hàng hóa di chuyển trơn tru trên con lăn, hạn chế thao tác nâng – hạ thủ công, giảm nguy cơ chấn thương lao động.
Ứng dụng thực tế của băng tải con lăn tự do không mạ
Băng tải con lăn tự do không mạ được ứng dụng rộng rãi trong:
-
Kho hàng tải trọng lớn
-
Trung tâm logistics
-
Nhà máy sản xuất cơ khí, điện máy
-
Khu vực xuất – nhập hàng
-
Dây chuyền đóng gói sản phẩm nặng
Đặc biệt, thiết bị này rất phù hợp cho các doanh nghiệp cần vận chuyển hàng nặng liên tục nhưng không muốn đầu tư hệ thống băng tải motor phức tạp.
So sánh con lăn Ø76mm với các loại con lăn nhỏ hơn
| Tiêu chí | Ø50 – Ø60 | Ø76 |
|---|---|---|
| Khả năng chịu tải | Trung bình | Cao |
| Độ ổn định | Khá | Rất tốt |
| Phù hợp hàng nặng | ❌ | ✅ |
| Chi phí | Thấp hơn | Cao hơn nhưng hiệu quả |
👉 Với hàng hóa nặng, Ø76mm là lựa chọn tối ưu và an toàn hơn về lâu dài.
Tiêu chí lựa chọn băng tải con lăn tự do không mạ
Khi lựa chọn băng tải, doanh nghiệp nên cân nhắc:
-
Trọng lượng trung bình và tối đa của hàng hóa
-
Kích thước đáy thùng hoặc pallet
-
Khoảng cách giữa các con lăn
-
Chiều dài tuyến băng tải
-
Môi trường sử dụng (trong nhà, ngoài trời)
Việc lựa chọn đúng cấu hình giúp hệ thống hoạt động ổn định và kéo dài tuổi thọ.
Lưu ý khi sử dụng con lăn thép màu đen không mạ
-
Phù hợp nhất cho môi trường khô, trong nhà
-
Không nên dùng nơi ẩm ướt, hóa chất ăn mòn
-
Nên kiểm tra, vệ sinh định kỳ để đảm bảo con lăn quay trơn tru

Băng tải con lăn tự do không mạ là giải pháp lý tưởng cho nhu cầu vận chuyển hàng nặng trong kho hàng và nhà máy. Với ưu điểm chịu tải cao, kết cấu bền bỉ, chi phí vận hành thấp, hệ thống này giúp doanh nghiệp tối ưu quy trình vận chuyển mà vẫn đảm bảo an toàn và hiệu quả lâu dài.
👉 Đây là lựa chọn đáng tin cậy cho các doanh nghiệp đang tìm kiếm giải pháp băng tải đơn giản – mạnh mẽ – kinh tế.
Quý khách hàng có thể xem các sản phẩm khác của Makitech từ Makitech Nhật Bản thông qua LINK này.
Xem thêm các sản phẩm khác của Makitech Click vào đây



